MHISS-130 - Pneumatic Turbine Vibrator



RECOMMENDED ACCESSORIES

1/4SSM - Exhaust Muffler, S'Stl.
46102 - Filter/Regulator 1/4" NPT
86102 - Ball Valve 1/4"
1/4SV - Solenoid Valve
1/4PEM - 1/4" Npt Polyethalene Muffler

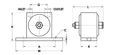
Dimensions

A 2-3/4 in
70 mm
C* 1/4 in
7 mm
L 1-7/8 in
48 mm
W 3-1/4 in
83 mm
H 2-9/16 in
66 mm
F 5/16 in
8 mm
G 1-7/16 in
37 mm
R 1 in
26 mm
INLET 1/8 NPT
OUTLET 1/4 NPT
* Bolt Size

Tech Data

80 psi
VPM 21000
CFM 5.5
Force lbs 300
Force Newtons 1340*
dB 68
Weight 2 lbs

Made In The USA 50 Years


US Flag 

VIBCO Vibrators™ are 100% MADE IN THE USA since 1962.

Top Quality, Fastest Delivery

  • 100% Manufactured in the USA
  • Strict quality standards
  • Available and in-stock
  • Same day or next day shipping
  • Made with pride since 1962

Not Sure? How can we help you?

Call UsOn the Job PhotosVIBCO TV 

Customer Testimonials

CALL NOW: 800-633-0032